上海申弘阀门有限公司
联系人:申弘阀门
手机:15901754341
传真:86-021-31662735
邮箱:494522509@qq.com
地址:上海市青浦区金泽工业园区
Q41Y化工部法兰式金属硬密封球阀操作应用
Q41Y金属硬密封球阀适用于Class150~Class2500、PN16~PN160的各种管路上,用于截断或接通管路中的介质。选用不同的材质,金属硬密封球阀可分别适用于非腐蚀型介质、弱腐蚀性介质、硝酸、醋酸、氧化性介质、尿素等多种介质,特别适用于含固体颗粒介质、料浆、煤粉、灰渣等苛刻工况。硬密封球阀的驱动方式为手动、蜗轮传动、气动或电动。金属硬密封球阀一般采用法兰连接,也可采用对焊连接。

Q41Y化工部法兰式金属硬密封球阀操作应用阀座硬化技术
金属硬密封球阀的球体与阀座采用金属对金属的密封方式,为了确保硬密封球阀在各种温度和压力下的可靠密封,针对用户的不同使用工况和要求,可以采用多种*的球体和阀座的硬化技术,包括超音速喷涂、镍基喷焊、表面特殊硬化、硬质合金喷焊等,球体和阀座表面硬度一般可达到HRC60以上,较高可达HRC74以上。密封面材料耐温可达540℃,较高可达980℃。金属硬密封法兰球阀材料的结合强度可以达到10000PSI以上,密封面材料还具有很好的耐磨擦、耐冲击等性能。硬密封固定球阀能够适用于绝大多数的苛刻工况条件。法兰浮动式球阀是一种高性能阀门,具有精密的流体控制能力和可靠的密封性能,广泛应用于石化、化工、电力、冶金、医药、造纸、食品等领域。本文将对法兰浮动式球阀的以下几个方面进行介绍。

一、Q41Y化工部法兰式金属硬密封球阀操作应用结构
法兰浮动式球阀的结构由阀体、阀球、阀杆、阀座、密封装置、操作装置等组成。其中,阀体和阀杆采用整体设计,阀球和阀座采用分离型设计,密封装置采用复合形式,操作装置采用手动、气动或电动控制。
二、Q41Y化工部法兰式金属硬密封球阀操作应用工作原理
法兰浮动式球阀的工作原理是通过旋转阀球来控制流量和压力。当阀球旋转时,其两端的通道被打开或关闭,从而实现流量调节和流体控制。同时,阀球可自由浮动在阀座上,当介质压力过高或过低时,阀球可以自动调节位置,保证密封性能。
三、 法兰浮动式球阀产品特点:
1、*的阀座:聚多年球阀制造经验而设计的阀座,确保阀门密封,磨擦系数低,操作力矩小、多种阀座材料、适应范围广。
2、开关无误的手柄:采用扁头阀杆,与手柄的连接不会错位,从而保证手柄指示的开关状态与阀一致辞。
3、锁紧装置:为防止阀门开关误操作,在阀门全开、全关位置有锁定孔,确保阀门处于正确的位置。
4、阀杆防飞结构:阀杆为下装式,防止受压飞出,同时可在火灾后,与阀体形成金属接触,确保阀杆密封。
适用介质:水、气、油品、天然气和酸碱腐蚀性介质。
适用温度:-196~350℃
驱动方式:手动、气动、电动、液动等。
公称通径:DN 15-250 1/2"~10"
四、 Q41Y化工部法兰式金属硬密封球阀操作应用法兰浮动式球阀应用规范:
1.设计制造造GB12235-89
2.结构长度按GB12221-89
3.法兰尺寸按JB/T79-94
4.阀门检查和试验按APID.598
五、Q41Y化工部法兰式金属硬密封球阀操作应用应用
法兰浮动式球阀广泛应用于石化、化工、电力、冶金、医药、造纸、食品等领域,常用于控制高粘度、浓密、腐蚀性、高温高压等特殊介质的流量和压力。
总之,随着科技的不断进步和工业的不断发展,法兰浮动式球阀在各个领域的应用将越来越广泛。未来,法兰浮动式球阀将更加注重节能减排、安全可靠、智能化控制等方面的技术创新,以实现更加高效、环保、智能的流体控制。

防止阀门在高温下的涨死
高温工况下由于热膨胀而容易引起球体与阀座的涨死,从而导致阀门无法开启。属硬密封球阀采用了碟簧或弹簧加载的密封结构,在高温下零部件的热膨胀可以被碟簧或弹簧所吸收,故能够保证阀门在高温下不会被涨死,并能够在高温下灵活启闭。
优异的密封性能
采用独特的球体研磨工艺,通过球体与研磨器具在空间不同方位的旋转,使球体表面达到的圆度和光洁度,阀门的密封性能达到或超过标准要求。
Q41Y化工部法兰式金属硬密封球阀操作应用防火结构设计
阀门的密封面采用金属对金属密封结构,填料采用柔性石墨,垫片采用不锈钢+柔性石墨结构。因此,阀门即使在火灾情况下也能确保可靠的密封。
自然的防静电结构设计
金属硬密封球阀的阀体、阀座、球体等金属零件紧密接触,自然形成了静电通道。因此,金属硬密封球阀不需要设置专门的防静电装置。
双阻断及泄放功能
硬密封固定球阀一般采用球前阀座密封结构。金属硬密封固定球阀的两个阀座能独立切断进口端和出口端的介质,实现双阻断功能。当球阀关闭时,即使阀门进出口两端同时受压,阀门中腔和两端通道也可以被相互阻断,中腔内的剩余介质可以通过泄放阀排出。

Q41Y化工部法兰式金属硬密封球阀操作应用
序号 | 品 名 | 型 号 及 规 格 | 单位 | 数量 | 单 价 (元) | 金 额 (元) | 阀体材质及其它 |
1 | 球阀 | 法兰式球阀Q41H-16RL PN16 DN20 温度:250℃ 手轮驱动
除油槽药水是30%硫酸浓度 | 台 | 1 | 阀体316L不锈钢 硬密封 |
Q41Y化工部法兰式金属硬密封球阀操作应用主要零件材料 Materials Of main Parts
| 阀体 Body | 304 | ZG1Cr18Ni9Ti | CF8 | CF3 | ZG1Cr18Ni12Mo2Ti | CF8M | CF3M |
| 球体阀杆 Ball Stem | 304 | 1Cr18Ni9Ti | 304 | 304L | 1Cr18Ni12Mo2Ti | 316 | 316L |
| 阀座 Seat | -29℃~300℃(对位聚笨 PPL) -29℃~550℃(金属) | ||||||
| 垫片 Shim | 不锈钢/柔性石墨Stainless Steel/flexible Graphite 齿形垫片Tooth Profile Gasket | ||||||
| 阀杆座 Stem Seat | 不锈钢/柔性石墨 Stainless Steel/Flexible Graphite | ||||||
| 填料 Packing | 增强柔性石墨 Enhanced Flexible Graphite | ||||||
| 填料压盖 Gland | 1Cr18Ni9Ti | 304 | 304L | 1Cr18Ni12Mo2Ti | 316 | 316L | |
| 温度 Temperature | -29℃~300℃(对位聚笨 PPL) -29℃~550℃(金属硬密封) | ||||||
| 介质 Medium | 水蒸汽油品气体 Water steam Oil goods | 硝酸类 Nitric Acid | 强氧化介质 strongey oxidable medium | 醋酸类 Acetic Acid | 尿素类Urea | ||
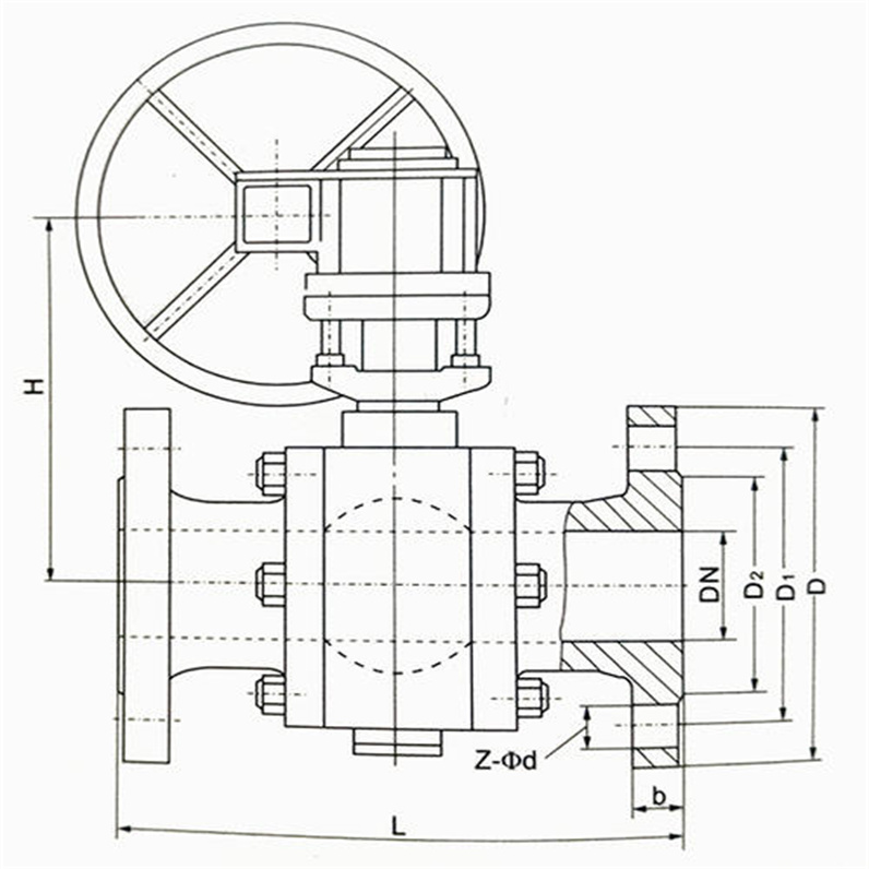
外形结构图

Q41Y化工部法兰式金属硬密封球阀操作应用主要外型尺寸 Main outer Size
| 1.6MPa | DN | L | D | D1 | D2 | b | n-φd | H | D0 |
| 凸面法兰 RF Q41H Q41PPL 16C 16P 16R | 15 | 130 | 95 | 65 | 45 | 14 | 4-14 | 78 | 140 |
| 20 | 140 | 105 | 75 | 55 | 14 | 4-14 | 84 | 160 | |
| 25 | 150 | 115 | 85 | 65 | 14 | 4-14 | 95 | 180 | |
| 32 | 165 | 135 | 100 | 78 | 16 | 4-18 | 150 | 250 | |
| 40 | 180 | 145 | 110 | 85 | 16 | 4-18 | 150 | 300 | |
| 50 | 200 | 160 | 125 | 100 | 18 | 4-18 | 170 | 350 | |
| 65 | 220 | 180 | 145 | 120 | 20 | 4-18 | 195 | 350 | |
| 80 | 250 | 195 | 160 | 135 | 20 | 8-18 | 215 | 400 | |
| 100 | 280 | 215 | 180 | 155 | 20 | 8-18 | 250 | 500 | |
| 125 | 320 | 245 | 210 | 185 | 22 | 8-18 | 265 | 600 | |
| 150 | 360 | 280 | 240 | 210 | 24 | 8-23 | 270 | 800 | |
| 200 | 400 | 335 | 295 | 265 | 26 | 12-23 | 330 | 1200 | |
| 2.5MPa | 15 | 130 | 95 | 65 | 45 | 16 | 4-14 | 103 | 140 |
| 凸面法兰 RF Q41H Q41PPL 25 25P 25R | 20 | 140 | 105 | 75 | 55 | 16 | 4-14 | 112 | 160 |
| 25 | 150 | 115 | 85 | 65 | 16 | 4-14 | 123 | 180 | |
| 32 | 165 | 135 | 100 | 78 | 18 | 4-18 | 150 | 250 | |
| 40 | 180 | 145 | 110 | 85 | 18 | 4-18 | 156 | 300 | |
| 50 | 200 | 160 | 125 | 100 | 20 | 8-18 | 172 | 350 | |
| 65 | 220 | 180 | 145 | 120 | 22 | 8-18 | 197 | 350 | |
| 80 | 250 | 195 | 160 | 135 | 22 | 8-23 | 222 | 400 | |
| 100 | 280 | 230 | 190 | 160 | 24 | 8-23 | 253 | 500 | |
| 125 | 320 | 270 | 220 | 188 | 28 | 8-25 | 275 | 600 | |
| 150 | 360 | 300 | 250 | 218 | 30 | 8-25 | 286 | 800 | |
| 200 | 400 | 360 | 310 | 278 | 34 | 12-25 | 340 | 1200 |
主要外形尺寸 Size Main Dimensions
| 4.0MPa | DN | L | D | D1 | D2 | D6 | b | n-φd | H | D0 |
| 凹凸法兰 MFM Q41H Q41PPL 40 40P 40R | 15 | 130 | 95 | 65 | 45 | 40 | 16 | 4-14 | 103 | 140 |
| 20 | 140 | 105 | 75 | 55 | 51 | 16 | 4-14 | 112 | 160 | |
| 25 | 150 | 115 | 85 | 65 | 58 | 16 | 4-14 | 123 | 160 | |
| 32 | 180 | 135 | 100 | 78 | 66 | 18 | 4-18 | 150 | 250 | |
| 40 | 200 | 145 | 110 | 85 | 76 | 18 | 4-18 | 156 | 250 | |
| 50 | 220 | 160 | 125 | 100 | 88 | 20 | 4-18 | 172 | 350 | |
| 65 | 250 | 180 | 145 | 120 | 110 | 22 | 8-18 | 197 | 350 | |
| 80 | 280 | 195 | 160 | 135 | 121 | 22 | 8-18 | 222 | 450 | |
| 100 | 320 | 230 | 190 | 160 | 150 | 24 | 8-23 | 253 | 450 | |
| 125 | 400 | 270 | 220 | 188 | 176 | 28 | 8-25 | 275 | 600 | |
| 150 | 400 | 300 | 250 | 218 | 204 | 30 | 8-25 | 286 | 800 | |
| 200 | 550 | 375 | 320 | 282 | 260 | 38 | 12-30 | 340 | 1200 | |
| 6.4MPa | 15 | 165 | 105 | 75 | 55 | 40 | 18 | 4-14 | 105 | 140 |
| 凹凸法兰 MFM Q41H Q41PPL 64 64P 64R | 20 | 190 | 125 | 90 | 68 | 51 | 20 | 4-18 | 125 | 160 |
| 25 | 216 | 135 | 100 | 78 | 58 | 22 | 4-18 | 135 | 250 | |
| 32 | 229 | 150 | 110 | 82 | 66 | 24 | 4-23 | 150 | 350 | |
| 40 | 241 | 165 | 125 | 95 | 76 | 24 | 4-23 | 165 | 350 | |
| 50 | 292 | 175 | 135 | 105 | 88 | 26 | 4-23 | 175 | 450 | |
| 65 | 330 | 200 | 160 | 130 | 110 | 28 | 8-23 | 200 | 450 | |
| 80 | 356 | 210 | 170 | 140 | 121 | 30 | 8-23 | 210 | 600 | |
| 100 | 432 | 250 | 200 | 168 | 150 | 32 | 8-25 | 250 | 700 | |
| 125 | 508 | 295 | 240 | 202 | 176 | 36 | 8-30 | 295 | 1100 | |
| 150 | 559 | 340 | 280 | 240 | 204 | 38 | 8-34 | 340 | 1500 |
法兰阀门,一种通过法兰方式连接的阀门,其阀体自带法兰,可与管道法兰相连接。这类阀门包括法兰闸阀、法兰球阀、法兰蝶阀以及法兰截止阀等。在安装过程中,确保遵循一系列 注意事项至关重要,以确保其安全与性能的充分发挥。
接下来,我们将对法兰阀门的安装要点进行详细梳理。

021.Q41Y化工部法兰式金属硬密封球阀操作应用安装前准备及注意事项
1.1 > 配管与法兰面的垂直性
在安装法兰阀门时,必须确保 配管上的法兰面与配管中心线保持垂直,同时,法兰螺栓与配管中心的位置误差需控制在允许范围内。只有当阀门和配管中心线一致时,方可进行安装工作。
1.2 > 法兰面的检查与清洁
安装前,应仔细 检查和清洁法兰面,确保其无损伤、划痕等缺陷,并保持清洁。特别是采用金属垫圈时,需确保法兰盘的切槽与垫圈吻合,并涂上红丹进行配研,以保证良好的密封状态。
1.3 > 螺栓的紧固方式
紧固法兰时,应避免用力不均,而应按照 对称、交叉的方向顺序,均匀依次旋紧螺栓。
1.4 > 工具使用注意事项
使用板手紧固螺栓时,需确保与螺母相匹配,并且在使用油压或风动工具进行预紧固时,务必注意不要超过规定的力矩。
1.5 > 连接与垫片压紧
连接两个法兰时,应先使法兰密封面与垫片均匀压紧,以确保在 同等螺栓应力下进行连接。
032.安装后确认及维护
2.1 > 螺栓和螺母的检查
安装完成后,需仔细确认所有螺栓螺母的 紧固是否均匀,以确保安全性能。
2.2 > 防松动和防粘连措施
为防止震动造成的松动,应在螺栓和螺母处使用垫圈;同时,为避免高温时螺纹间的粘连,安装时螺纹部位应 涂抹防粘剂。

2.3 > 高温和低温条件安装
对于300℃以上的高温阀门,在温度上升后,需再次旋紧法兰连接螺栓、阀盖紧固螺栓以及压力密封和填料压盖螺栓。在低温环境下安装阀门时,由于温差影响,法兰、垫片、螺栓及螺母等部件可能发生收缩。因此,在紧固螺栓时,必须考虑这些零部件的材质和线 膨胀系数的差异,以确保安全可靠的安装。
