GZW-16F46管道衬氟塑料阻火器在化工气体应用案例
系适用于石化、化工、轻工等行业的可燃爆气体运输过程中的安全装置。阻火器有阀体和芯件两部分组成。通过芯件来阻止火焰在管道内蔓延,其原理为“器壁效应",就是火焰与器壁的碰撞进行能量转换,减低了温度,使其在芯件中熄灭,避免了火焰在芯件的另一端复燃。是防止外部火焰窜入存有易燃易爆气体的设备、管道内或阻止火焰在设备、管道间蔓延。是应用火焰通过热导体的狭小孔隙时,由于热量损失而熄灭的原理设计制造。适用于可燃气体输送过程中的安全装置,是经过严谨的阻火理论设计和精密机械设备加工制造而成的,适用于石化、化工、轻工等行业的可燃气体运输过程中的安全装置。

二、GZW-16F46管道衬氟塑料阻火器在化工气体应用案例产品阻火层:
采用不锈钢“N"形,双层波纹带为阻火芯件而且在芯件内部有一个十字结构的支架(或在表面压上Y形架)借以增强芯件的牢靠性,避免芯件被点燃的介质所产生的爆炸压力冲散。以此原理来设计三角形孔的高度阻止火焰的通过,再加上足够的流道长度来吸收火焰的热量,使其在芯件中熄灭,避免了气体在芯件的另一端被复燃的可能性。
衬氟管道阻火器是一种用于防止火焰通过管道传播的安全装置,其主要卖点在于其高效的阻火性能和可靠的材料特性。首先,阻火器的核心功能是通过内部的阻火元件阻止火焰的传播,同时允许气体或液体通过,确保管道系统的安全运行。其次,衬氟材料的使用使得阻火器具有优异的耐腐蚀性能,能够适应各种恶劣的工作环境,如酸碱介质、高温高压等,从而延长设备的使用寿命。此外,阻火器的设计通常较为紧凑,安装和维护相对简便,能够有效降低用户的使用成本。在应用优势方面,衬氟管道阻火器广泛应用于化工、石油、天然气等领域,能够有效预防因火焰传播引发的事故,保障生产安全。总体而言,衬氟管道阻火器凭借其高性能和耐用性,成为管道安全领域的重要设备。

三、GZW-16F46管道衬氟塑料阻火器在化工气体应用案例产品特点:
1、产品结构合理,造型美观,外壳为铸造铝合金,重量轻,安装方便。
2、通常与呼吸阀配套或单独使用,也可适用内浮顶式油罐的通气管路上。
3、阻火层芯子采用不锈钢材料,耐腐蚀性强,耐烧、阻爆等各项技术性能具有突出。
GZW-16F46管道衬氟塑料阻火器在化工气体应用案例产品特点:
1、管道阻火器适用于管道、闪点低于28℃的甲类、油品、氢氧液化类和闪点低于60℃的煤油、柴油、甲苯原油等,输送可燃性气体的管道上、火炬系列、油气回收系统、加热炉燃料气的管网上、气体净化通化系统、气体分析系统、煤矿瓦斯排放系统。
2、GZW-Ⅰ型管道阻火器系新型可燃气体管道阻火器,属更新换代的新产品。
3、该阻火器经中国科学技术大学与天津消防科学研究所联合测试,其性能符合GB13347-92《石油气体管道 阻火器阻火性能和试验方法》的规定。
4、阻火器结构合理,阻火层是采用不锈钢材料制造,耐腐蚀易于清洗。
5、壳体采用不锈钢、碳钢及铸钢多种材料,可满足各种不同工艺管道的需要。
GZW-16F46管道衬氟塑料阻火器在化工气体应用案例应用范围:
1、输送可燃性气体的管道上。
2、火炬系统。
3、油气回收系统。
4、加热炉燃料气的管网上。
5、气体净化通化系统。
6、气体分析系统。
7、煤矿瓦斯排放系统。
8、阻火器连续13次以亚音速火焰试验,每次都能阻止火焰的通过。
9、水压试验2.4MPa无渗漏。

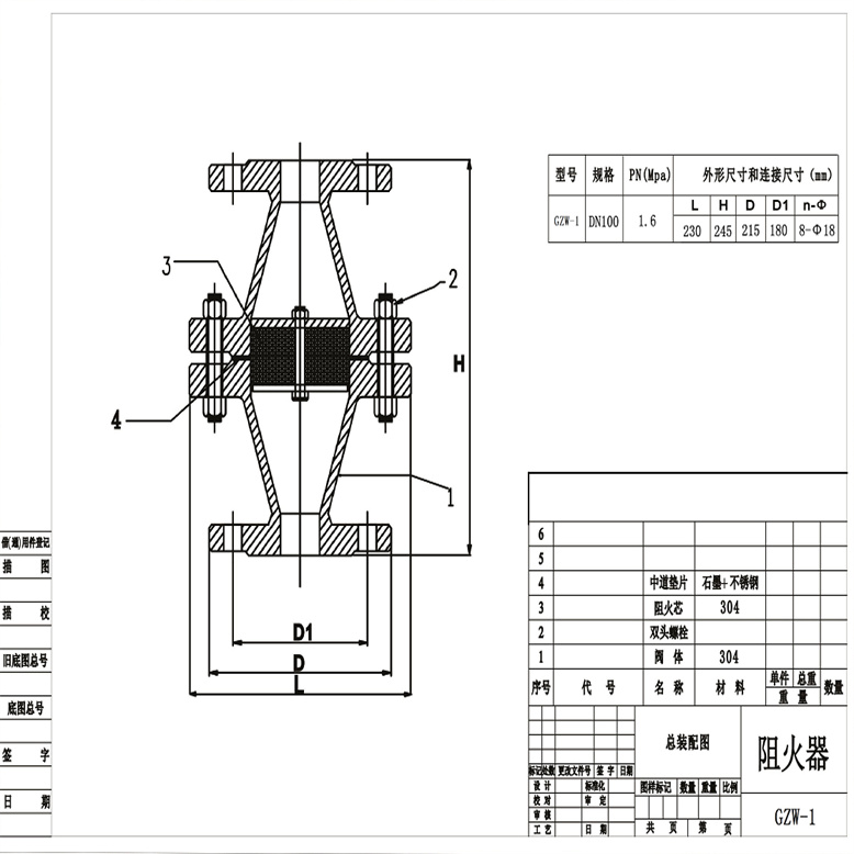
GZW-16F46管道衬氟塑料阻火器在化工气体应用案例主要外形与连接尺寸:
型 号 | 口径 | MPa | 外形尺寸(mm) | 螺栓 |
K | D | DL | L | 数量 | 螺纹 |
GZW-20 | DN20 | 1.6 | 75 | 105 | 195 | 200 | 4 | M12 |
GZW-25 | DN25 | 85 | 115 | 195 | 200 | 4 | M12 |
GZW-40 | DN40 | 110 | 150 | 245 | 240 | 4 | M16 |
GZW-50 | DN50 | 125 | 165 | 245 | 240 | 4 | M16 |
GZW-80 | DN80 | 160 | 200 | 280 | 250 | 8 | M16 |
GZW-100 | DN100 | 180 | 220 | 335 | 260 | 8 | M16 |
GZW-150 | DN150 | 240 | 285 | 460 | 360 | 8 | M20 |
GZW-200 | DN200 | 295 | 340 | 520 | 420 | 12 | M20 |
GZW-250 | DN250 | 355 | 405 | 580 | 430 | 12 | M24 |
GZW-300 | DN300 | 410 | 460 | 705 | 450 | 12 | M24 |
GZW-600 | DN600 | 770 | 840 | 1120 | 580 | 20 | M33 |
保养与维修:

1、为了确保阻火器的性能达到全部使用的目的,对阻火器应定期进行检查和保养。
2、阻火器每半年检查一次,检查阻火芯子是否堵塞、变形、腐蚀等。
3、发现被堵塞的阻火层芯子应清洗干净,确保芯子上的每个孔眼畅通,对于变形和腐蚀的阻火层应予更换。
4、重新安装阻火层芯子时,应保证结合面不得漏气。
GZW-16F46管道衬氟塑料阻火器在化工气体应用案例

准备工作:在开始安装阻火器之前,需要确保所有的工具和材料都已准备好,包括阻火器、法兰、螺栓、螺母、密封垫等。同时,要确保安装环境的安全,避免在安装过程中发生意外。
确定安装位置:根据设备的使用说明书和安全要求,确定阻火器的安装位置。一般来说,阻火器应安装在可能产生火焰或爆炸的管道或设备上方,以便及时阻止火焰的传播。
法兰连接:将阻火器与管道或设备通过法兰进行连接。在连接过程中,要确保法兰的密封性能良好,防止泄漏和火灾的发生。同时,要注意法兰的螺栓和螺母要紧固牢靠,防止松动和脱落。
检查密封性:在安装完成后,要对阻火器进行密封性检查。可以通过在法兰连接处涂抹肥皂水或观察是否有气体泄漏来判断密封性能是否良好。如果发现泄漏,应及时进行紧固或更换密封垫。
调试和运行:在安装和检查完成后,可以对设备进行调试和运行。在运行过程中,要密切观察阻火器的工作状态,确保其能够正常发挥作用。如果发现异常情况,应及时停机检查并进行维修。
需要注意的是,不同类型的阻火器具有不同的安装要求和使用特点。因此,在安装阻火器之前,应仔细阅读其使用说明书和安全要求,并按照说明书的要求进行正确的安装和调试。同时,在安装过程中要注意安全,避免因操作不当导致意外事故的发生。