上海申弘阀门有限公司
联系人:申弘阀门
手机:15901754341
传真:86-021-31662735
邮箱:494522509@qq.com
地址:上海市青浦区金泽工业园区
Q11F不锈钢内螺纹球阀操作应用案例
Q11F内螺纹球阀适用于PN1.0~6.4MPa,工作温度-29~180℃(密封圈为增强聚四氟乙烯)或-29~300℃(密封圈为对位聚苯)的各种管路上,用于截断或接通管路中的介质。选用不同的材质,可分别适用于水、蒸汽、油品、硝酸、醋酸等多种介质。内螺纹球阀是一种常用的控制阀门,通过电动执行器实现阀门的开启和关闭,广泛应用于工业领域的流体控制系统中。下面我们将详细介绍电动内螺纹球阀的工作原理、安装方法和正确使用技巧。
一、Q11F不锈钢内螺纹球阀操作应用案例工作原理:
通过电动执行器控制阀芯的旋转,从而实现阀门的开启和关闭。当电动执行器受到信号指令时,通过驱动装置将阀芯旋转到相应的位置,改变流体的通道状态,实现对流体的控制。内螺纹球阀是一种用于调节和控制流体的阀门,通常用于燃油、化工、航空航天和核能等行业。它的结构简单、密封可靠、耐高压、耐腐蚀、操作轻便等特点,使得其在工业领域中得到广泛应用。

二、Q11F不锈钢内螺纹球阀操作应用案例的设计规范
内螺纹球阀的设计规范是按照国际标准来进行的,其中包括API、ANSI、ASME、ISO等标准。在设计时必须遵从这些规范,以确保内螺纹球阀的安全性、可靠性和耐久性。
设计规范要求内螺纹球阀必须符合下列要求:
1. 结构:内螺纹球阀由球体、球座、阀杆、手柄、螺纹等部件组成,结构简单、紧凑、耐久可靠。
2. 材料:球阀的材料通常为碳钢、不锈钢、合金钢或铜合金等,具有耐腐蚀、耐磨损的特点。
3. 尺寸标准:内螺纹球阀尺寸标准包括通径、螺纹尺寸、法兰连接标准等,必须符合国际标准。
4. 操作方式:内螺纹球阀的操作方式有手动和自动两种,其中手动操作方式为常见方式。
三、内螺纹球阀的工程标准
内螺纹球阀的工程标准是按照设计规范所制定的标准,包括制造、测试、使用、维护等方面的标准。
在制造方面,内螺纹球阀必须符合国际标准要求,采用优质材料、设备和工艺,保证内螺纹球阀的制造质量和性能。
在测试方面,内螺纹球阀必须经过严格的压力测试、泄漏测试和强度测试等多项测试,以确保内螺纹球阀的可靠性和安全性。
在使用和维护方面,内螺纹球阀必须经过严格的操作规程、日常检查和维修保养,以保证内螺纹球阀的正常运行和寿命。
四、Q11F不锈钢内螺纹球阀操作应用案例结论
内螺纹球阀是一种常用的工业阀门,其设计标准对于保证其可靠性、耐久性和安全性至关重要。在设计内螺纹球阀时必须遵从国际标准和规范,包括结构、材料、尺寸标准、操作方式等各方面。同时,在制造、测试、使用和维护中也必须遵守相应的工程标准,以确保内螺纹球阀的正常运行和安全性。

一、内螺纹的连接原理
内螺纹是通过与外螺纹进行连接来实现机械零部件之间的固定。内螺纹和螺母的连接原理是通过螺纹之间的摩擦力和拉力来实现的。
二、常用的内螺纹连接方法
1. 直接连接法
直接将螺母旋入内螺纹中,利用螺母的螺纹和内螺纹的螺纹配合紧密,传递力量,完成紧固作用。这种方法简单,连接可靠,但需要掌握旋转力度的大小,否则容易损坏内螺纹和螺母。
2. 转接法
内螺纹连接螺柱时,转接法常用于转接多个内螺母,或方便的连接螺柱所需使用的螺纹规格不同的螺母。首先,根据螺柱所要连接的螺母和规格进行加工,将螺柱根部的大螺纹与内螺纹的中间部分连接。
3. 自锁法
自锁法是利用螺母的特殊构造或材料弹性形变而达到锁紧的效果,是内螺纹的连接方法之一。这种方法能够突破螺纹摩擦及损伤的限制,达到很好的防松效果,应用广泛。
三、注意事项
1. 内螺纹和螺母的连接应按规定的扭矩要求进行拧紧,以保证连接的可靠性和紧固力。
2. 内螺纹的加工应注意螺纹的精度和表面质量,以提高连接的可靠性和可加工性。
3. 螺母要使用合适的型号和规格,以确保连接的紧固力和可靠性。
【Q11F不锈钢内螺纹球阀操作应用案例结论】
内螺纹与螺母的连接是机械加工中常用的连接方式之一,通过螺纹的摩擦力和拉力来实现紧固作用。常用的内螺纹连接方法包括直接连接法、转接法和自锁法。在使用内螺纹连接时,应注意螺纹精度和表面质量,选择合适的螺母和规格,以保证连接的可靠性和紧固力。

Q11F不锈钢内螺纹球阀操作应用案例产品特点
Q11F内螺纹球阀分为整体式(一片式)、两段式及三段式。阀体铸造采用中国台湾引进的工艺,结构合理、造型美观。阀座采用弹性密封结构,密封可靠,启闭轻松。 阀杆采用有倒密封的下装式结构,阀腔异常升压时,阀杆不会被冲出。二片式、三片式球阀连接形式另有对焊(BW)承插焊(SW),并均可带国际标准ISO支架平台和锁定装置。可设置90°开关定位机构,根据需要加锁以防止误操作,驱动方式:手动、电动、气动。

内螺纹球阀的结构特点:
1.流体阻力小,其阻力系数与同长度的管段相等。
2.结构简单、体积小、重量轻。
3.紧密可靠,球阀的密封面材料广泛使用塑料、密封性好,在真空系统中也已广泛使用。
4.操作方便,开闭迅速,从全开到全关只要旋转90°,便于远距离的控制。
5.维修方便,球阀结构简单,密封圈一般都是活动的,拆卸更换都比较方便。
6.在全开或全闭时,球体和阀座的密封面与介质隔离,介质通过时,不会引起阀门密封面的侵蚀。
7.适用范围广,通径从小到几毫米,大到几米,从高真空至高压力都可应用。
内螺纹球阀的标准规范:
设计制造标准:ASME B16.34,API608
结构长度标准:GB/T 12221-2005
管螺纹连接端:ASME B1.20,BS21,DIN29999/259,BSP ISO7/1,ISO228/1,JISB02
压力温度等级:GB/T 12224-2005
试验检验标准:GB/T 13927-2008
内螺纹球阀的应用范围:
内螺纹球阀适用于PN1.0~4.0MPa,工作温度-29~180℃(密封圈为增强聚四氟乙烯)或-29~300℃(密封圈为对位聚苯)的各种管路上,用于截断或接通管路中的介质。选用不同的材质,可分别适用于水、燃气、蒸汽、油品、硝酸、醋酸等多种介质。

Q11F不锈钢内螺纹球阀操作应用案例产品特征
| 公称压力 | 适用介质 | 适用稳定范围 | 螺纹类型 |
| 1.6-6.4MPa | 水、油、气及某些腐蚀性液体(W。O。G) | -20~232℃~350℃ | G。NPT。BSPT。BSP。DI259/2999 |
主要技术参数
| 公称通径 | DN(mm) | 6~100mm | ||
| 公称压力 | PN(MPa) | 2.5 | 4.0 | 6.4 |
| 试验压力 | 强度试验压力 | 3.8 | 6.0 | 9.6 |
| 高密封试验压力 | 3.0 | 4.8 | 7.6 | |
| 低压气密封试验压力 | 0.6 | 0.6 | 0.6 | |
| 适用介质 | 水、蒸汽、油品、酸类腐蚀性等。 | |||
| 适用温度 | < 150℃(PTFE) < 300℃(PLL) | |||
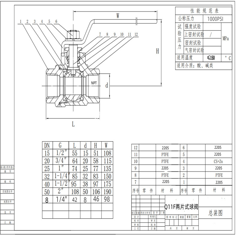
主要零件材料
| NO | 零件名称 | PART NAME | 材料(MATERIAL) |
| 1 | 阀体 | Body | CF8M CF8 WCB |
| 2 | 阀盖 | Cap | CF8M CF8 WCB |
| 3 | 阀座 | Seat | RPTFE |
| 4 | 球 | Ball | SS304 SS316 |
| 5 | 密封垫 | Seal Gasket | PTFE |
| 6 | 阀杆密封 | Stem Seal | PTFE |
| 7 | 阀杆 | Stem | SS316 |
| 8 | 阀杆填料 | Stem Packing | PTFE |
| 9 | 填料压盖 | Packing gland | SS304 |
| 10 | 弹性垫圈 | Spring washer | SS301 |
| 11 | 手柄 | Handle | SS304 |
| 12 | 螺母 | Stem Nut | SS304 |
一片式内螺纹球阀结构图

一片式内螺纹球阀外形连接尺寸
| 公称通径 | 结构长度(mm) | 外形尺寸(mm) | 参考重量 | |||
| 毫米 | 英寸 | L | d | H | W | (kg) |
| 6 | 1/4"" | 40 | 4.2 | 22 | 80 | 0.10 |
| 10 | 3/8"" | 45 | 6 | 26 | 80 | 0.115 |
| 15 | 1/2"" | 57 | 8 | 31 | 88 | 0.175 |
| 20 | 3/4"" | 60 | 12 | 34 | 88 | 0.250 |
| 25 | 1"" | 72 | 15 | 38 | 105 | 0.400 |
| 32 | 1-1/4"" | 79 | 19 | 43 | 105 | 0.600 |
| 40 | 1-1/2"" | 85 | 24 | 50 | 124 | 0.850 |
| 50 | 2"" | 101 | 32 | 57 | 124 | 0.900 |
二片式内螺纹球阀结构图

二片式内螺纹球阀外形连接尺寸
| 公称通径 | 结构长度(mm) | 外形尺寸(mm) | 参考重量 | |||
| 毫米 | 英寸 | L | d | H | W | (kg) |
| 6 | 1/4" | 55 | 10 | 42 | 95 | 0.2 |
| 10 | 3/8" | 55 | 10 | 42 | 95 | 0.2 |
| 15 | 1/2" | 64 | 15 | 51 | 108 | 0.35 |
| 20 | 3/4" | 75 | 20 | 58 | 115 | 0.5 |
| 25 | 1" | 85 | 25 | 77 | 135 | 0.75 |
| 32 | 1-1/4" | 102 | 32 | 83 | 150 | 1.3 |
| 40 | 1-1/2" | 108 | 38 | 97 | 175 | 2.0 |
| 50 | 2" | 124 | 50 | 106 | 190 | 3.3 |
| 65 | 2-1/2" | 163 | 65 | 122 | 220 | 6.1 |
| 80 | 3" | 185 | 80 | 133 | 250 | 9.9 |
三片式内螺纹球阀结构图

三片式内螺纹球阀外形连接尺寸
| SIZE | 1/4" | 3/8" | 1/2" | 3/4" | 1" | 1-1/4" | 1-1/2" | 2" | 2-1/2" | 3" | 4" |
| D | 11.6 | 12.7 | 15 | 20 | 25 | 32 | 38 | 50 | 65 | 80 | 100 |
| L | 68 | 68 | 72 | 82 | 90 | 112 | 120 | 145 | 185 | 210 | 268 |
| H | 100 | 100 | 130 | 130 | 165 | 165 | 190 | 190 | 250 | 250 | 280 |
| E | 100 | 100 | 130 | 130 | 165 | 165 | 190 | 190 | 250 | 250 | 280 |
二、Q11F不锈钢内螺纹球阀操作应用案例安装方法:
1、安装前需确认电动内螺纹球阀的规格及型号,确保与管道系统匹配。
2、将球阀安装在管道上,注意保持管道的垂直度和水平度。
3、连接电动执行器和球阀,调整好位置并固定螺丝。
4、连接电源及信号线,进行电气连接。
5、进行阀门的调试和测试,确认操作正常后进行使用。
三、正确使用技巧:
1、定期检查电动内螺纹球阀的工作状态,如有异常及时处理。
2、避免频繁开合阀门,以免损坏阀门和电动执行器。
3、阀门长时间不使用时,应保持阀门处于关闭状态,以防止内部结垢及腐蚀。
4、注意阀门的环境温度和介质,选择适应的材质和密封型式。

通过以上介绍,我们了解了电动内螺纹球阀的工作原理、安装方法和正确使用技巧,希望对您有所帮助。在实际使用中,务必按照操作规范进行操作,以确保阀门的正常运行和延长使用寿命。
