上海申弘阀门有限公司
联系人:申弘阀门
手机:15901754341
传真:86-021-31662735
邮箱:494522509@qq.com
地址:上海市青浦区金泽工业园区
石油化工储罐带呼出接管阻火呼吸阀选型分析 |
||||||||||||||||||||||||||||||||||||||||||||||||||||||||||||||||||||||||||||||||||||
|
||||||||||||||||||||||||||||||||||||||||||||||||||||||||||||||||||||||||||||||||||||
| 详细介绍 | ||||||||||||||||||||||||||||||||||||||||||||||||||||||||||||||||||||||||||||||||||||
1. 石油化工储罐带呼出接管阻火呼吸阀选型分析呼吸阀工作原理概述 1.1 ❒ 内部构造与密封效应呼吸阀的内部构造核心在于其独特的组合:一个压力阀盘(即呼气阀)与一个真空阀盘(即吸气阀)。这两个阀盘既可并行排列,也可上下重叠,共同构成了呼吸阀的工作基础。 其工作原理如下所述:在储罐压力与大气压力相等时,压力阀与真空阀的阀盘与阀座紧密结合,利用阀座边上的密封结构所产生的“吸附"效应,确保紧密不漏。随着压力或真空度的增加,阀盘开始开启,但“吸附"效应依然存在,从而维持良好的密封性。当罐内压力达到预定值时,压力阀开启,罐内气体通过呼气阀(即压力阀)侧排出至大气中,此时真空阀因罐内正压而关闭。相反,当罐内压力降至一定真空度时,真空阀因大气压的正压而打开,外界空气通过吸气阀(即真空阀)侧进入罐内,此时压力阀保持关闭。 1.2 ❒ 压力与真空条件下的作用呼吸阀在正常状态下发挥密封作用,但在特定条件下会开始工作。这些条件包括储罐输出物料时需要吸入空气或氮气,灌装物料时需要呼出罐内气体,以及因气候变化导致罐内物料蒸汽压变化时需要呼出蒸汽或吸入空气或氮气。此外,火灾发生时,呼吸阀会呼出气体以避免储罐因超压而受损。在其他工况下,如挥发性液体的加压输送、传热装置内的化学反应以及操作失误等,呼吸阀也会相应地进行呼出或吸入操作,以保护储罐免受超压或超真空的损害。
022. 石油化工储罐带呼出接管阻火呼吸阀选型分析呼吸阀安装注意事项 2.1 ❒ 安装位置与呼吸量呼吸阀应安装在储罐顶部的最高点。从减少蒸发损耗和优化排气的角度出发,呼吸阀的理想位置是储罐气相空间的最高点,以确保通畅且直接的呼吸通道。在大型或关键储罐上,为避免单台呼吸阀故障导致的超压或负压风险,可以安装两台呼吸阀。为减少两台呼吸阀同时动作导致的故障概率,设计时应确保它们在正常情况下交替工作,一台为主,另一台为备用。当单个呼吸阀的呼吸量不足以应对大呼吸量时,可以安装两个或多个呼吸阀。若安装两个呼吸阀,则它们应对称布置在罐顶中心,以确保平衡的呼吸效果。 2.2 ❒ 氮气封存与防冻措施若呼吸阀用于氮封储罐,氮气供气管的接管位置应远离呼吸阀接口,并深入罐内约200mm,以确保氮气能有效封存而不直接排出。在寒冷地区,当历年最冷月份的平均温度低于或等于0℃时,呼吸阀应采取防冻措施。这旨在防止阀盘因冻结或阻塞而阻碍储罐的顺畅排气或补气,从而避免储罐因超压或低压而受损。在系统中起安全保护作用,在实际应用时,应根据实际需要选择其特性类型,并根据较大排气量选择其通径为较佳方案。带呼出接管(阻火)呼吸阀是新型改进型呼吸阀,集合呼吸阀与储罐阻火器的双重作用。根据国家标准《石油化工企业设计防火规范》(GB50160-92)之规定:“储存甲、乙类液体的固定式顶罐,应设阻火器和呼吸阀"。带呼出接管(阻火)呼吸阀是原油、汽油、煤油、轻柴油、芳烃等固定顶式储罐上的安全设备,是防止蒸发损耗与保护储罐在受超压或真空时免遭破坏的作用。带呼出接管(阻火)呼吸阀是维护储罐气压平衡,减少介质挥发的安全节能产品。带呼出接管(阻火)呼吸阀是安装在固定顶罐上的通风及阻火装置,能起到减少油品蒸发损耗,控制储罐压力平衡和控制火焰的作用。它能对储罐内外压力进行自动调节等特点。呼吸阀内设有静电保护装置,使得该阀时刻与罐体保持同等电位。呼吸阀的品种很多,各有其不同的性能和特性,在选择时就要按照其特性所满足的条件,是否能达到较佳的运行效果,再多方面考虑一些客观的因素即可,带呼出接管(阻火)呼吸阀就是其中一个受市场欢迎的产品。 石油化工储罐带呼出接管阻火呼吸阀选型分析
HX系列呼吸阀选型: 呼吸阀代号以HX表示,HXF为阻火呼吸阀代号。 呼吸阀类型代号以呼入和呼出口有否接管来分类,共8种,见表:
性能及特点: 带呼出接管(阻火)呼吸阀阀盘采用四氟材料,耐低温,防冻性能好;阻火盘采用不锈钢材质,阻火性能优良;壳体选用不锈钢、铸钢和铝合金,结构紧凑,阻火性能强、通气量大、泄漏量小、耐腐蚀、耐低温、防霜冻、易检修,安全方便等特点。
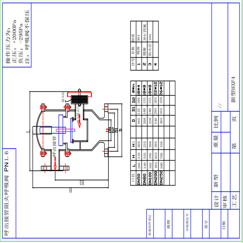
石油化工储罐带呼出接管阻火呼吸阀选型分析技术参数:
石油化工储罐带呼出接管阻火呼吸阀选型分析主要外形及安装尺寸:
033. 石油化工储罐带呼出接管阻火呼吸阀选型分析呼吸阀常见故障及异响问题
3.1 ❒ 漏气与卡死问题常见故障包括漏气、卡死、粘结、堵塞、冻结,导致呼吸阀无法正常运行。漏气问题通常由多种因素造成,例如阀与阀盘接触面的锈蚀或硬物划伤、阀盘或阀座变形,以及阀盘导杆倾斜等。卡死问题多因呼吸阀安装不当或油罐变形导致阀盘导杆歪斜,以及阀杆锈蚀所致。 3.2 ❒ 粘结与堵塞现象粘结问题由于蒸气、水分与沉积在阀盘、阀座、导杆上的尘土等杂物混合,经过长时间的化学物理反应,可能导致这些部件粘结在一起。堵塞问题:长期未保养的机械呼吸阀可能因尘土、锈渣等杂物沉积,以及蜂或鸟在呼吸阀口筑巢等原因而堵塞。 3.3 ❒ 冻结与异响现象冻结问题气温变化时,呼吸阀的阀体、阀盘、阀座和导杆等部位可能因空气中的水分凝结而结冰,从而影响阀的正常开启。当呼吸阀的阀盘与阀座接触时,会产生一定的声音。然而,如果呼吸阀持续发出晃荡的声音,这可能是由于以下问题所致:阀门选型问题或弹簧故障等。
044. 石油化工储罐带呼出接管阻火呼吸阀选型分析呼吸阀的维护保养 4.1 ❒ 日常检测与清洁在日常巡检及每次作业时,应定期进行外观和现象检测。这包括观察储罐罐体和呼吸阀阀体是否有异常变化,检查呼吸阀在储罐进出物料时的运行状况,以及确认U型压力计的压表读数是否正常。打开呼吸阀的顶盖,仔细检查其内部的阀盘、阀座、导杆、导孔以及弹簧等部件,确认是否有生锈或积垢现象,并进行必要的清洁。 4.2 ❒ 特定环境下的检查与要求此外,针对不同类型和使用场景的呼吸阀,还有特定的检查要求。例如,对于全天候阻火呼吸阀,在冬季气温低于0℃时,应每周至少进行一次检查,以防阀盘与阀座因寒冷结冰而粘连失效。遵循这些维护措施,可以确保呼吸阀的安全性能得到持续保障。通过这些检查和维护措施,可以确保呼吸阀的长期有效性和安全性。 |
||||||||||||||||||||||||||||||||||||||||||||||||||||||||||||||||||||||||||||||||||||






